首页
产品中心
水
合作伙伴
新闻中心
公司新闻
媒体报道
关于我们
公司概况
荣誉资质
加入我们
联系我们
新闻中心
首页
/
新闻中心
/
公司新闻
/
声明
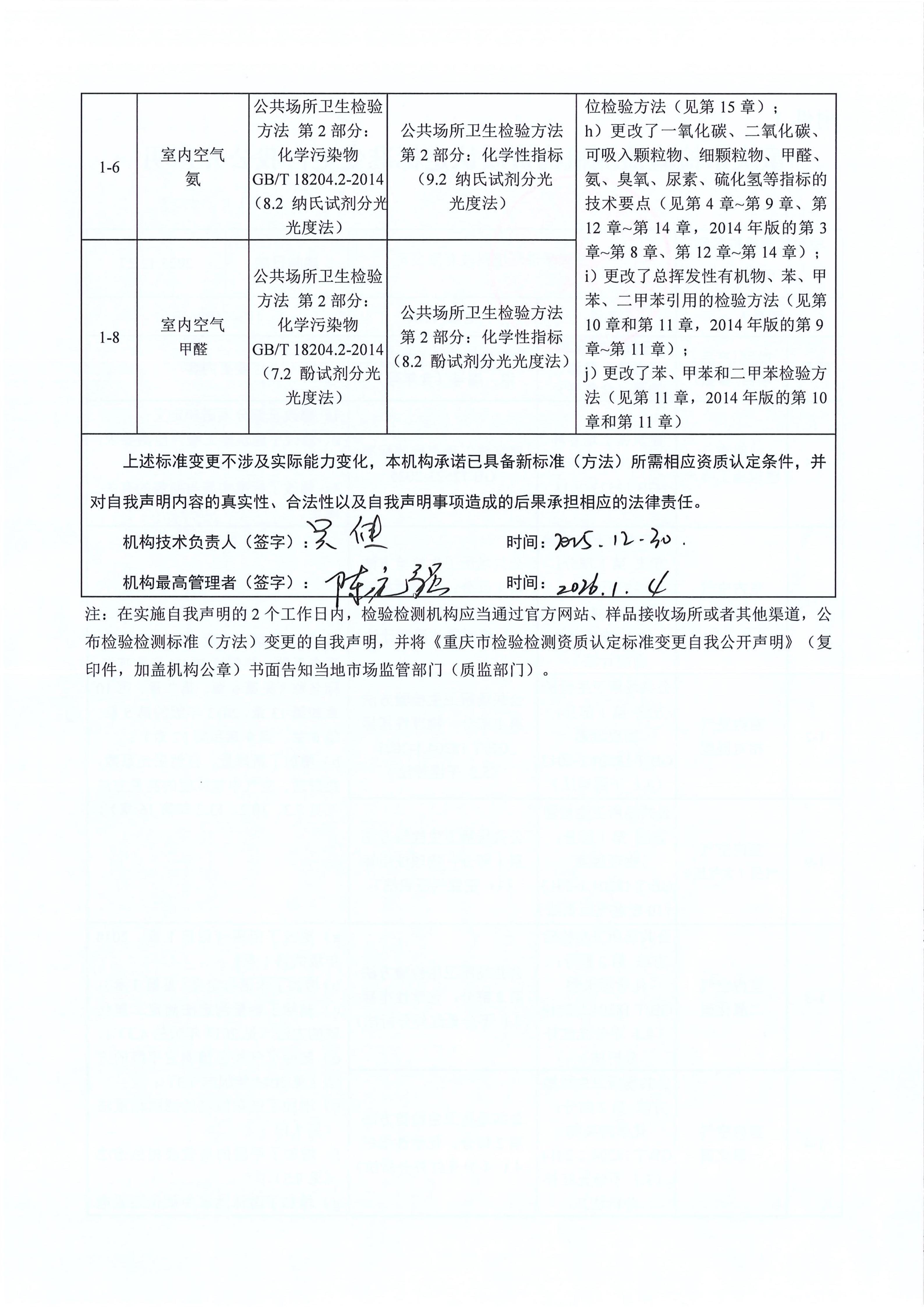
声明
公司新闻
发布时间:2026-01-23
浏览数:874
内容123
上一篇
创新引领,展望未来公司新闻五
下一篇
没有了
留言咨询
提交
信息提交后,将有专人联系您!